Феникс ремонт (79 фото)
Как сделать из гипсокартона евроремонт своими руками в частном доме
Ул Мубарякова 10/1 Уфа
Fenix логотип
Сервис Феникс Ульяновск
Лазерная резка латуни
Fenix надпись
Феникс ООО ТФК Феникс
Ланское шоссе 47 Санкт-Петербург
Феникс систем Дедовск
Компьютерный магазин Феникс Пенза
Ул Полесская 2 Орел
Лесопарковая квартиры
ТФК Феникс Набережные Челны

Рязань ш.Михайловское 73 а
Феникс сервис Франкфурт
ТФК Феникс Набережные Челны
Феникс сервисный центр
Infenix, Химки Строителей 4а
Автомастерская на Металлургов Тула
Phoenix Gold r 8.0.1
Ремонт телефонов по Станционной
Российская улица
Fenix Пенза компьютеры владелец
Феникс подсистема
Усилитель Феникс 200у 010с
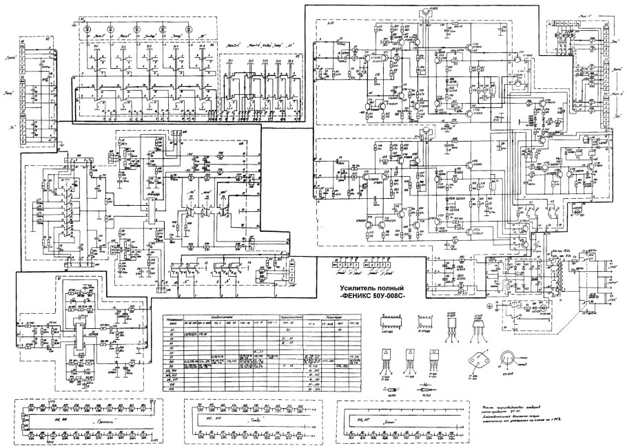
Феникс 50у-008с
Феникс ООО ТФК Феникс
Жестянка Лиззи с помятым бампером
Феникс сервис Орск
Phoenix Automotive Repair
Сервисный центр Феникс Сургут
Федюнинского 2а Тюмень
Усилитель Феникс 50
Феникс фото
Автосервис Феникс Тула
Феникс компания СПБ
Седова 57 Автофеникс
Стартеры и генераторы Рязань
Кузовной автосервис Феникс
Феникс эп 008с
Технологии автосервиса
Усилитель Феникс 50у 008с схема
Fenix сервисный центр
Внутренняя отделка квартир
Feniks Repair
Сервисный центр Гармин в Москве
Автосервис Феникс
Карбюратор leader pz19jb
Автосервис Феникс
Феникс Первоуральск Ватутина
Феникс 200у-010с
Феникс 200у-010с
Феникс город Орел
Краснодар улица Уральская 11 ремонтная мастерская оргтехника
Энергетиков 29 Сургут
Лазерная резка оцинковки
Феникс сервисный центр
Ремонт стартеров Феникс Тула
Похожие фото
↑