Расстояние от камина до мебели (67 фото)
Печь для бани Harvia Legend 240 Duo
Печи-камины Теплодар Румба
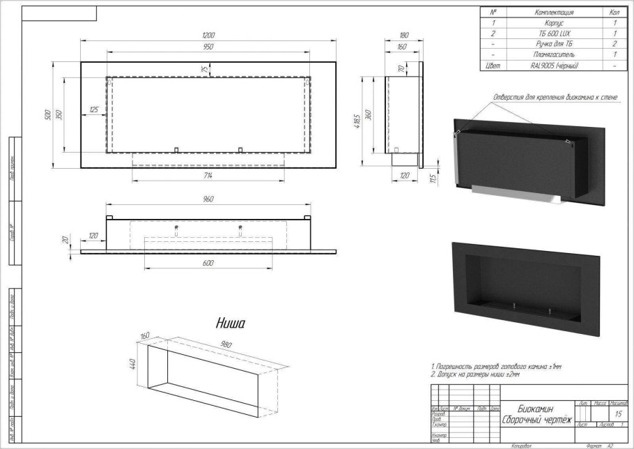
Биокамин 1200 встраиваемый
Дымоход через стену в каркасном доме схема
Дровяная печь Harvia 20 Pro
Схема сборки железной печи в бане
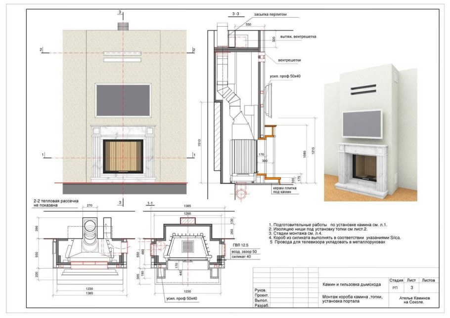
Суперизол Silca
Печь Бренеран схема установки
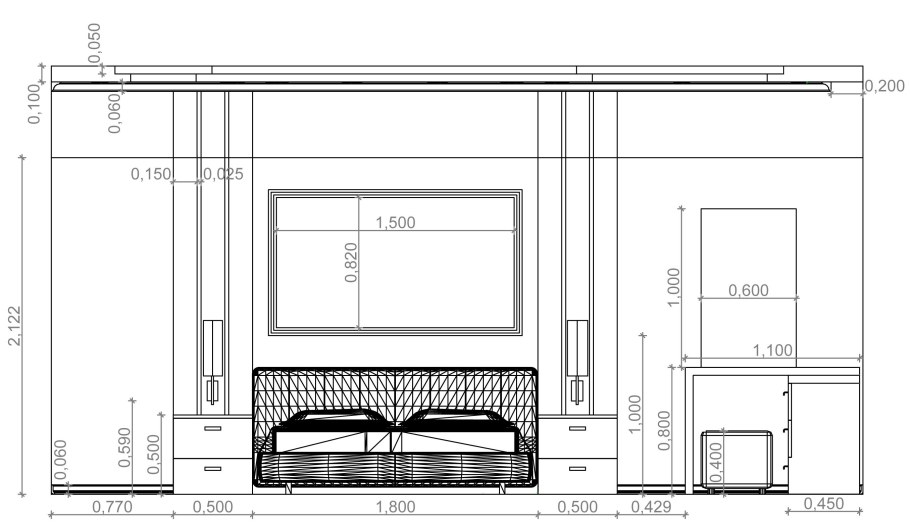
Высота установки телевизора на 50 дюймов
Дымоход для печи булерьян 150мм
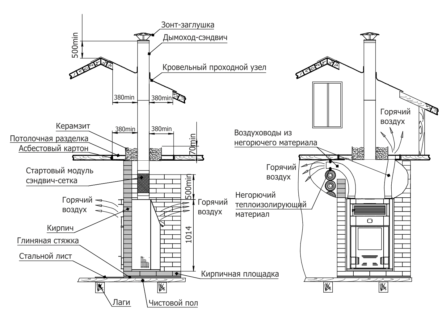
Расстояние между печкой и деревянной стеной в бане
Вентиляция камина
Jotul f100. Схема подключения
Печь для бани Ермак 12 чертеж
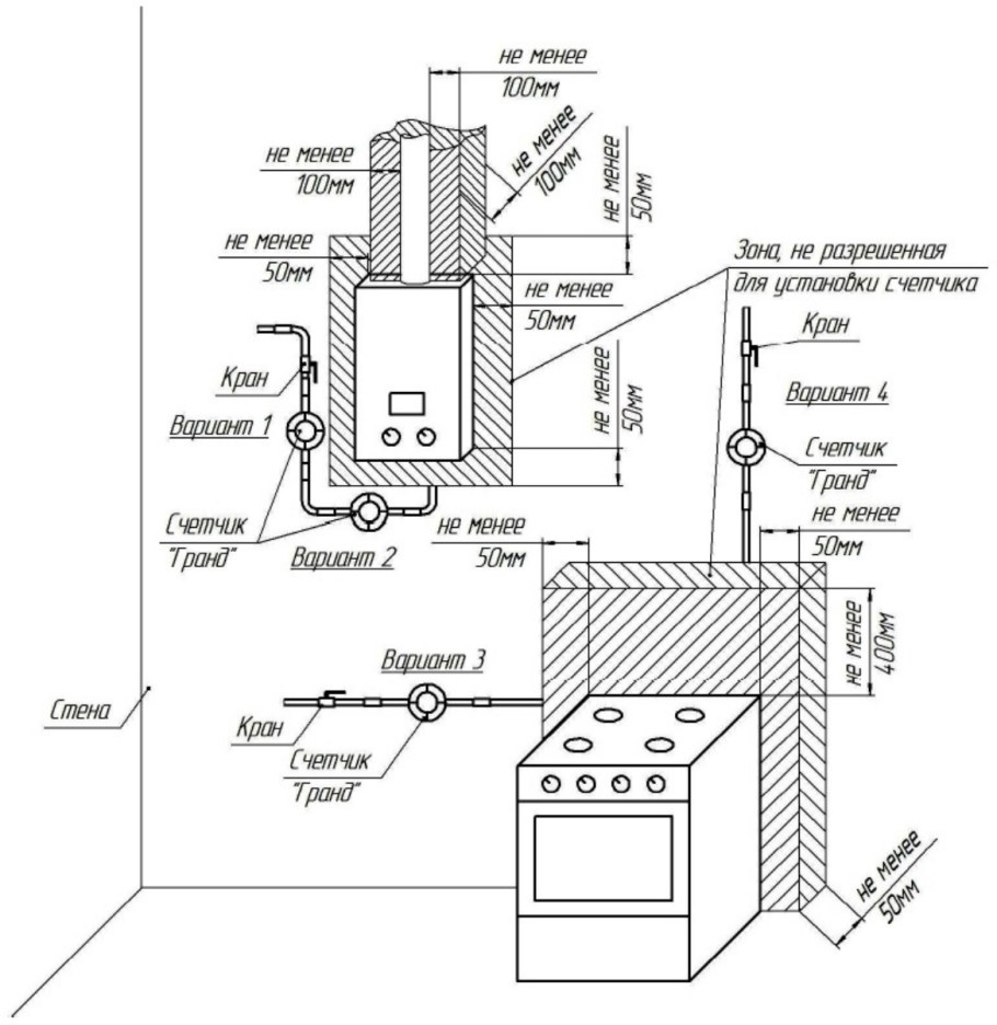
Схема монтажа установки напольного газового котла
Нормы установки газового напольного котла расстояние от стен
Эргономика расстановки мебели
Камин Инвикта шаман
Каминная топка Keddy sk 105 схема монтажа
Lux Fire Иллюзион 800 н s
Рекомендации по монтажу биокамина
Рекомендации по монтажу биокамина
Чертеж камина архикад
Дровяная печь Harvia Legend 240 чертежи
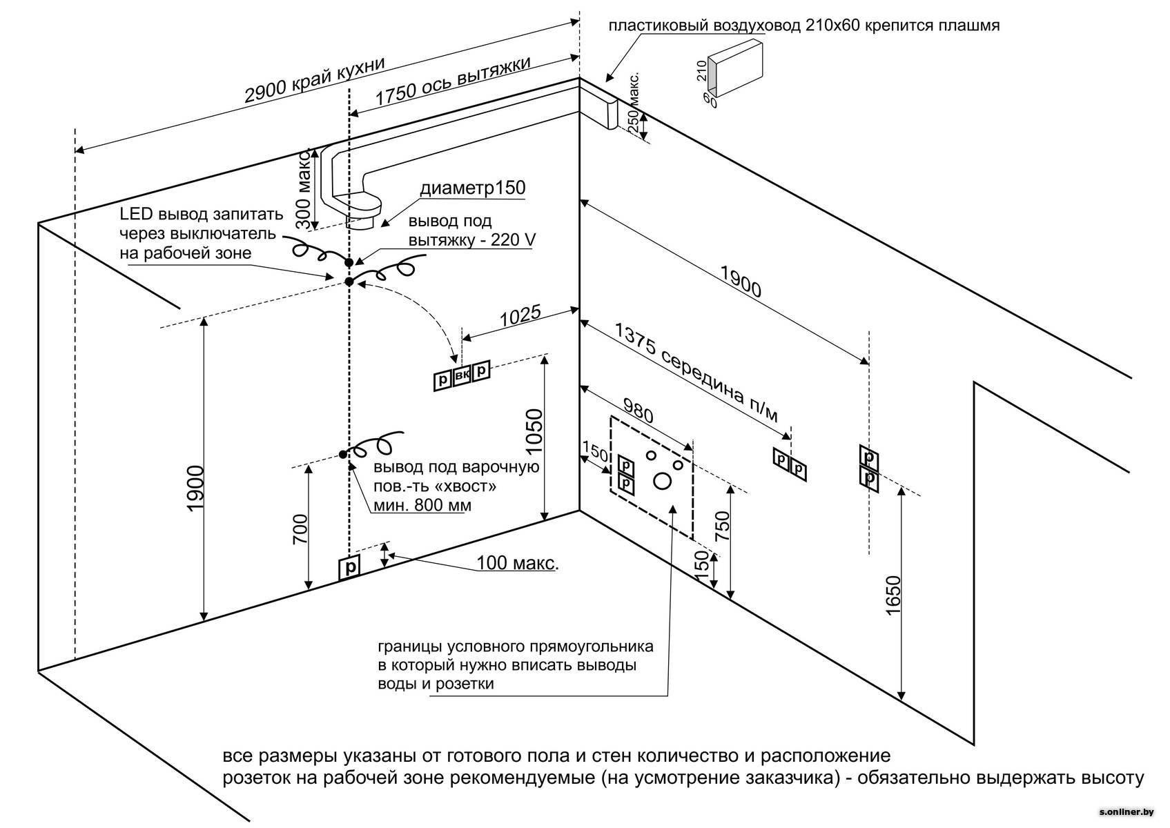
План кухни с островом
Эргономика расположения мебели в гостиной
Valcucine эргономика

Высота установки телевизора на стену 65 дюймов
Высота монтажа водорозеток для стиральной машины
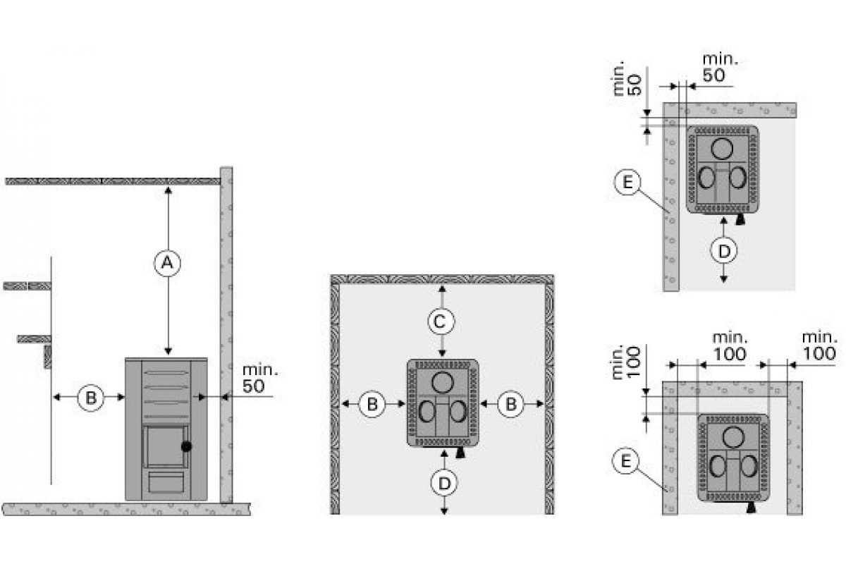
Схема установки печи камина в деревянном доме
Каминная печь в деревянном доме
Монтаж биокамина
Высота установки биокамина
Каминофен с воздушным отоплением
Гуча Меркурий дымоход сзади
Фундамент под металлическую печь в парилке
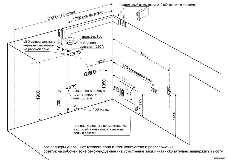
Схема монтажа розеток на кухне
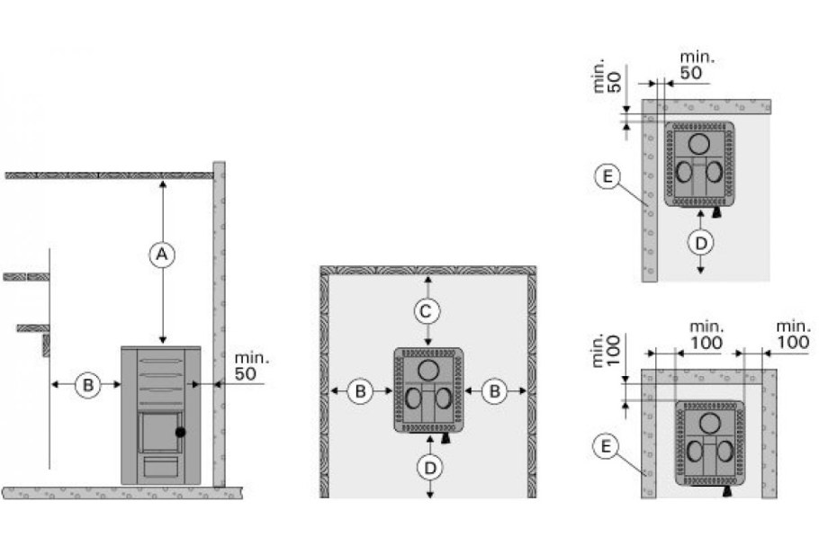
Установка печи камина расстояние от стены
Схема монтажа биокамина
Нормы газовых котлов по пожарной безопасности
Схема установки печи камина в деревянном доме
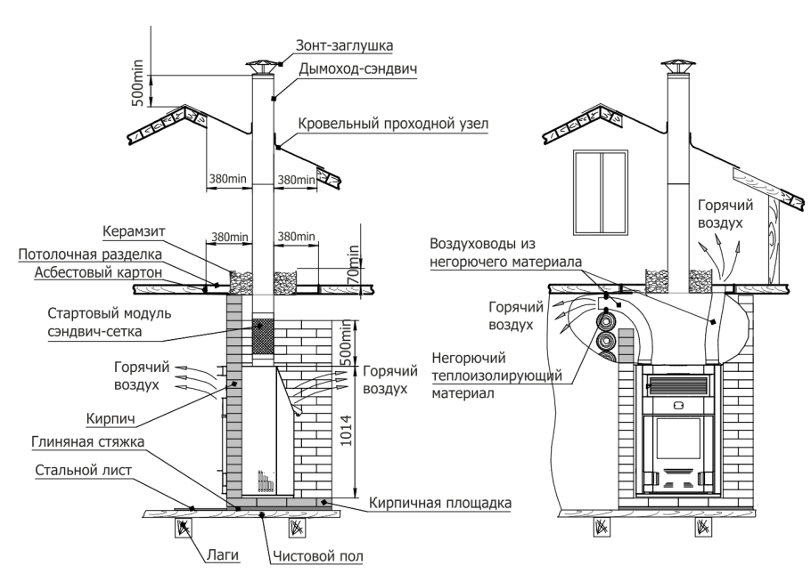
Дымоход для бани сэндвич узел прохода
Эргономика расстановки мебели
Эргономика офисного рабочего места
Размеры от камина до дивана
Биокамин Kratki quat Qube
Отступка и разделка печи
Схема монтажа банной печи с выносной топкой
Расстояние от печи до стены в бане
Камин электро габариты
Схема установки настенного газового котла
Конвекционный камин схема
Установка биокамина в деревянном доме
Электрокамин настенный EFP/W 1100uls New
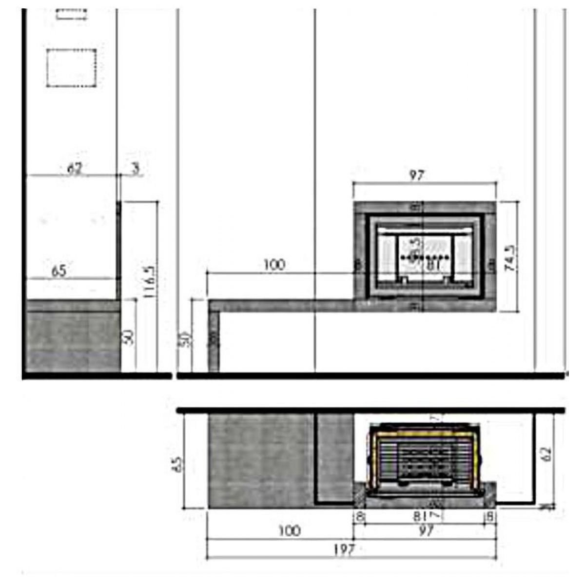
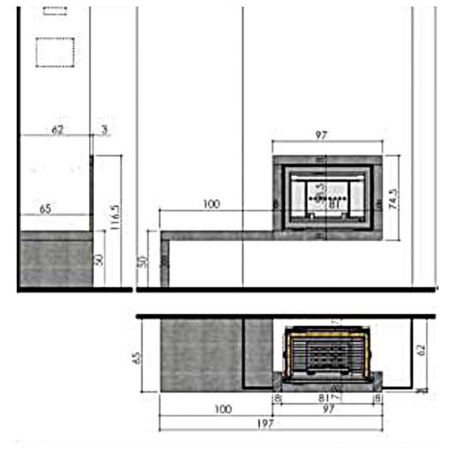
Габариты встроенного камина
Система дымохода для камина
Биокамин STEELHEAT Linkor 600
Кухонная печь с духовкой из кирпича порядовка
Печь для бани Сиеста-30

Металлическая печь круглая Андорра
Каминная облицовка Supra Evane
Печь Harvia Legend 240 Duo
Условия размещения камина в доме
Высота прикроватной тумбочки для установки розеток
Монтаж встраиваемого биокамина
Монтаж печи харвия 240 в бане
Похожие фото
↑