Каскад ремонт (73 фото)
Привод газа мотоблока Нева МБ-2
Леонардо Стоун Бергамо на здание
Редуктор Нева МБ 2
Арка отделанная декоративным камнем
Электростартер на мотоблок Каскад
Каскадный фонтан Липецк 2022
Пружина стартера мотоблока Агрос
Мотоблок Каскад МБ-61
Сервисный центр Cascade
Кухня гостиная с лестницей на второй этаж
Декоративный камень в интерьере
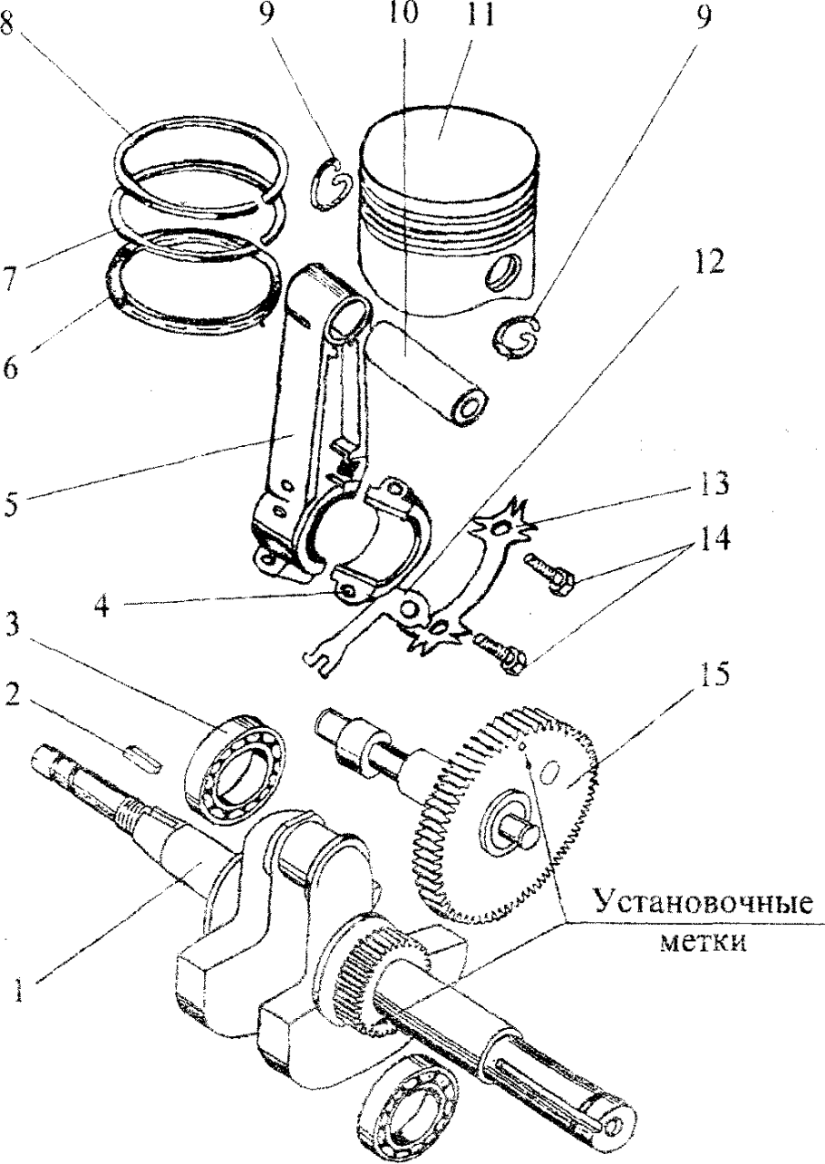
Разборка и сборка двигателя мотоблока МБ 2
Декор стен декоративным камнем
Редуктор мотоблока чемпион 8713
Редуктор для культиватора Нева мк80r
Задний ход для мотоблока Нева
Искусственный камень в интерьере
Нева 2 мотоблок ограничитель чертежи
Коробка мотоблока Нева МБ-2 схема
Мотоблок Луч МБ 1 схема
Альпийская горка с прудиком и водопадом Каскад
Ic-pw1 усилитель мощности 1квт
Интерьерный камень для внутренней отделки
Регулировка клапанов двигателя мотоблока дм 1
Мотоблок Ока редуктор МБ 1 сальники верхнего вала
Зажигание мотоблока Нева МБ-2
Отделка искусственным камнем в интерьере
СТО Каскад Череповец
Пригородный простор планировка таунхауса
Декоративный камень для фасада
Сборка стартера мотоблока Агро
Каскад фонтанов на Петровском спуске в Липецке
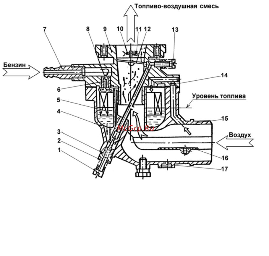
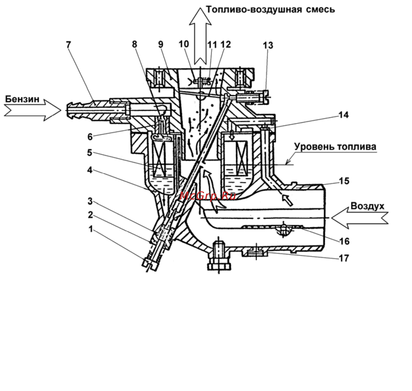
Схемы карбюратора мотоблока Нева МБ-1
Мотоблок редуктор цепной Ока МБ-1

Сборка редуктора Нева мб1
Редуктор «Ока» МБ-1д
Каскад в Харькове 2021
Мотоблок редуктор цепной Ока МБ-1
Трансивер есу ФТ 850
Мотоблок мб1 Луч двигатель Лифан
Клапан электропневматический 638м.101.а63s04.PS
Мотоблок Каскад 6.5 схемы
Задний ход для мотоблока Нева
Схема редуктора Нева МБ 2
Спуск Радуга Запорожье
Квартиры в Питере дизайн ремонт
Раскладка обрешетки под металлочерепицу Монтеррей схема
Агидель улица первых Строителей 3
Нева мб1 ременной привод
Редуктор мотоблока МБ 1д2м
Мотоблок Каскад МБ 1 метки ГРМ
Ременный привод мотоблока Каскад
Диаметр вала мотоблока Нева МБ-2
Таунхаус без отделки
Редуктор двигателя МБ Фаворит 1/6
Материнская плата MSI 865gvm2-LS
Мотоблок Каскад МБ-1
Отделка декоративным камнем
Распредвал ЗИД 4.5
Натяжитель ремня роторной косилки Заря
Заневский Каскад Санкт-Петербург игровые автоматы
Мотоблок Нева МБ-2 схема привода
Кабинет светло бежевые стены
Мотоблок Каскад МБ 6841
Мотоблок Каскад редуктор мб1 схема
Похожие фото
↑