Детский карт своими руками (54 фото)
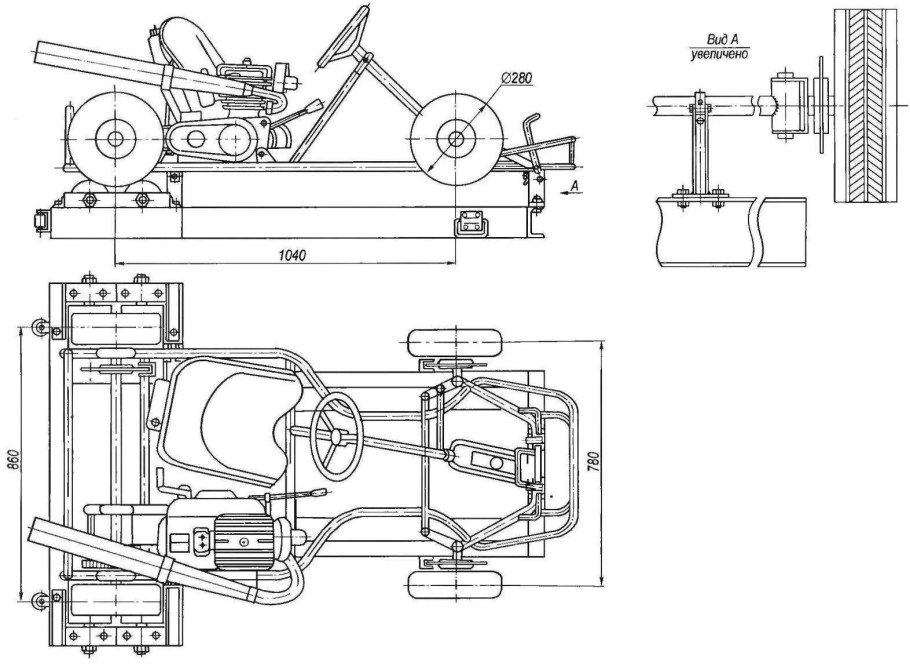
Багги Петрокарт
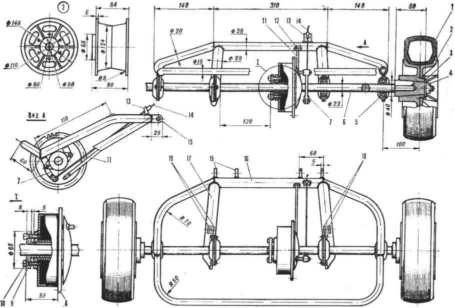
Рама go Kart Buggy
Картинг КП 78
Мини картинг
Рама go Kart Buggy 50
DIY Gokart
Картинг с двигателем 4g63t
Картинг go Kart Kit
F1 Gokart v3
Каркас картинга
Мини багги Виллис
Мини багги Rayman 168
Багги корч
Рама go Kart Buggy
Картинг из газонокосилки
Двигатель Лифан для картинга
Ninebot Gokart Kit
Чертеж go-Kart Buggy
Рама go Kart Buggy
Мини картинг
Самодельный детский картинг
Dune Buggy go Kart
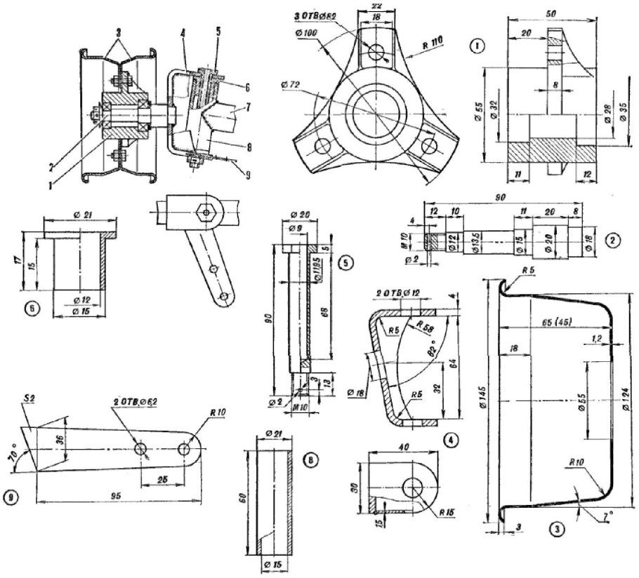
Картинг багги чертежи
Чертежи картинга АКУ 83
Самодельный детский картинг
Чертеж go-Kart Buggy
Веломобиль go Kart
Рама АКУ 83 чертеж
Картинг АКУ 89
Самодельный картинг
Картинг АКУ 83
Моделист конструктор электромобиль
Dune Buggy go Kart
Картинг с двигателем от триммера
Рама АКУ 83 чертеж
Рама go Kart Buggy
Go Ped Trail Ripper Quad
Электромашина картинг
Веломобиль Альтаир 237-1 чертеж
Картинг своими руками чертежи рамы с размерами
Чертеж багги Моделист конструктор
Веломобиль PODRIDE чертежи
Чертежи трицикл Васюган
Багги Gokart 200 чертеж
Багги ВАЗ 2108 чертежи
Поворотный механизм веломобиля Берг
Картинг самоделка
Чертежи самодельного багги с двигателем от мотоблока
Багги чертежи рамы
Ступица картинга задняя на 30 чертёж
Багги с двигателем ВАЗ 2108 чертежи
Бензопила Урал картинг

Картинг чертежи Моделист конструктор
Кросс-карт багги Gokart чертежи
Похожие фото
↑